621 Låsekassen, indadgående
- Dobbeltfallelås med delt dørgrebsfallerør og omstillernøgle til cylinder bero funktion
- Låsekassen kan anvendes til døre hvor man ønsker aflåsning med cylinderfalle, dørgrebsfallefasthold og dørgrebs åbning indefra samt omstillernøgle
- Fra udvendig side trækkes dørgrebsfallen og cylinderfallen ind i låsekassen med dørgreb, nøgle eller vridergreb
- Cylinderfallen spærres i låst position når spærrefallen er trykket ind i låsekassen
- Omstillernøglen kan blokere cylinderfallen i ulåst position
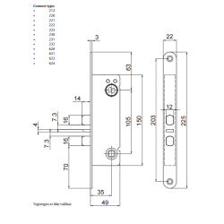
Teknisk information:
- Fallene kan tolererer en skævhed mellem dør og karm på + 4o
- Låsekasse med dornmål 50 mm kan monteres med Ruko sikkerhedscylinder eller ovalcylinder
- Låsekasser med dornmål 35 mm kan monteres med Ruko ovalcylinder
- Stolpen er af blank zinkbehandlet stål, hvilket giver en modstandsdygtig og neutral overflade som passer ind i alle miljøer
- Faller af drejet stål med blank zinkbehandling
Varianter:
- 968550 højre, dorn 35 mm
- 968570 højre, dorn 50 mm