1.233,37 DKK
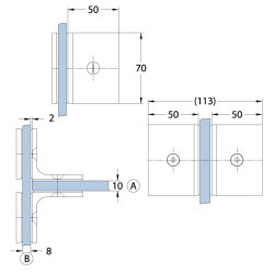
Firkantet beslag fra KL-megla i serien Wellness. Beslaget anvendes til at holde om det faste glas i brusekabinen/væggen. Passer også til Wellness Partion systemet.
- Anvendes til at holde om det fasteglas - Glas/glas/glas Teknisk information: - Glastykkelse: 8 - 10 mm - Overflade: RS-look